Product

XDB1219-5 Series Thermal flow switch

Short description

Thermal flow switches use precision electronic components widely used in aviation and automobiles, and reliable and stable circuit design, making the flow signal more accurate and stable. They are currently widely used in the steel, metallurgy, pharmaceutical, chemical and other industries.

Features

1. LED clearly indicates flow status

2. Microcomputer control, gas and liquid dual-purpose

3. No moving parts, maintenance-free

4. Small overall size, high reliability integrated circuit design

5. Easy to install, easy to operate, high sensitivity

6. One model is suitable for various pipe diameter requirements

7. Continuously adjustable switch quantity

8. Almost no pressure loss

9. Overall IP67 protection level

Parameters

屏幕截图 2024-10-18 133024

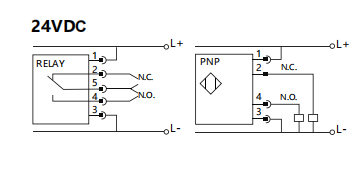
Dimensions(mm) & electrical connection

图片2
图片3

Leave Your Message

related products

What are you looking

Leave Your Message